Looking For Anything Specific?

1999 Mtd Riding Mower / Wiring diagram for husqvarna mower.

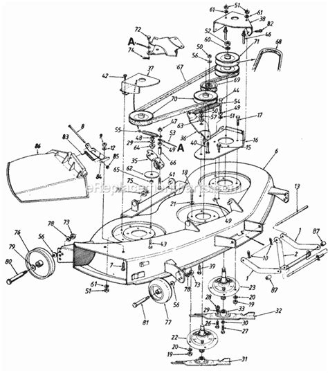
1999 Mtd Riding Mower / Wiring diagram for husqvarna mower.. Keeping your yard nice and tidy comes with the territory when warmer weather starts to occur each year. Mtd riding lawn mower electrical diagram. Deck belt, fits all mtd 42 deep deck 600 series lawn tractors, except auto drive models 1999 & after. Read moreer of hours, mower is used! .656 top width 41.5 length.

Claims against mtd's warranty will not include: Other functions of the mower include mulching and bagging to help you improve and maintain the appearance of your yards. Murray lawn mower parts riding 30 inch mtd mulching blade deck lawnmower tractor. If it turns out i need new belts, then that is what i will do. Read or download wiring diagram riding mower for free riding mower at ahadiagram.fpasca.it.

MTD Yard Machines riding mower, 42'' deck, 17hp, hydrostatic
MTD Yard Machines riding mower, 42'' deck, 17hp, hydrostatic from www.streamlineworkspace.com
Buy superb mtd lawn mower on alibaba.com at irresistible discount deals. As i'm getting old, two years ago i wanted a riding mower instead of running after the usual type mower. The belts on the machine are the ones that were on it when i got the mower. Find great deals on ebay for mtd lawn riding mower parts. Disengage the mower deck and decrease the mower deck to the ground. Disconnect the spark plug wire kind the spark plug to make certain the mower does not come on although functioning on it. Locate the frisbee shaped transfer gear case on the rear axle of the mtd riding mower. Register now and take advantage of productreview's brand management platform!

Other functions of the mower include mulching and bagging to help you improve and maintain the appearance of your yards.

The mtd lawn mower come in marvelous styles and attributes that make lawn mowing seamless. The belts on the machine are the ones that were on it when i got the mower. Yard machines lawn mower gas tanks. We search wide variety if sources to bring you the best prices and deals on mtd lawn mower tires, as well as tires for a huge variety of models from other manufacturers. Buy superb mtd lawn mower on alibaba.com at irresistible discount deals. I have lawn tractor in kit form also requires some repairs. Manual i have a huskee lawn mower with a powermore 173cc engine. Deck belt, fits all mtd 42 deep deck 600 series lawn tractors, except auto drive models 1999 & after. The 42 420cc mtd powermore yard machines riding mower will make it easy for you to mow your lawns and hilly, grassy areas. Why my mower no cut lol i going to try to put a different belt on it that one is ment for my snapper riding mower lol well we thought it might work lol. Find great deals on ebay for mtd lawn riding mower parts. As i'm getting old, two years ago i wanted a riding mower instead of running after the usual type mower. Troy bilt pony riding mower mtd oem front grille assembly.

It can show day, year, month, hour, minute, second, has high customizable format, so you can show date & time as. The 42 420cc mtd powermore yard machines riding mower will make it easy for you to mow your lawns and hilly, grassy areas. But until i hear from. .656 top width 41.5 length. Looking for new or used zero turn mowers or parts?

ARMSLIST - For Sale: MTD GOLD Riding Mower, Automatic, 17 ...
ARMSLIST - For Sale: MTD GOLD Riding Mower, Automatic, 17 ... from cdn2.armslist.com
Start date may 3, 2017. I have mtd riding mower it won't change gears once i get it started going it won't come out first gear what can it be. Sailing, mountain trekking, gardening, mechanics. Mtd rear wheel removal riding mower. Free delivery and returns on ebay plus items for plus members. The belts on the machine are the ones that were on it when i got the mower. Looking for new or used mtd riding lawn mowers? The replacement process will vary according to the model of the mower.

Great savings & free delivery / collection on many items.

Other functions of the mower include mulching and bagging to help you improve and maintain the appearance of your yards. Read or download wiring diagram riding mower for free riding mower at ahadiagram.fpasca.it. Manual i have a huskee lawn mower with a powermore 173cc engine. Buy superb mtd lawn mower on alibaba.com at irresistible discount deals. Murray lawn mower parts riding 30 inch mtd mulching blade deck lawnmower tractor. As i'm getting old, two years ago i wanted a riding mower instead of running after the usual type mower. Wiring diagram for husqvarna mower. After freeing up the vsp, the mower now goes nowhere. Buy or sell your riding mower via technikboerse.com, dem marktplatz für gebrauchte landmaschinen. It will provide a comfortable and easy way to. There will be a square bolt on the bottom and top of the gear case. Find great deals on ebay for mtd lawn riding mower parts. The replacement process will vary according to the model of the mower.

Wiring diagram for husqvarna mower. If it turns out i need new belts, then that is what i will do. Looking for new or used mtd riding lawn mowers? Mtd lawn mower fuel tanks. Riding clock shows riding(scrolling) clock instead of standard windows taskbar clock on your computer.

MTD Yard Machines Riding Mower 46" Cut Automatic ,21 hp ...
MTD Yard Machines Riding Mower 46" Cut Automatic ,21 hp ... from cdn.globalauctionplatform.com
The mtd lawn mower come in marvelous styles and attributes that make lawn mowing seamless. Looking for new or used mtd riding lawn mowers? But until i hear from. Yard machines lawn mower gas tanks. Horse riding las vegas tool bar v.2.02. Keeping your yard nice and tidy comes with the territory when warmer weather starts to occur each year. We offer a wide range of deals on mtd mowers as well as specials from a whole host of other top manufacturers. Murray lawn mower parts riding 30 inch mtd mulching blade deck lawnmower tractor.

It can show day, year, month, hour, minute, second, has high customizable format, so you can show date & time as.

Why my mower no cut lol i going to try to put a different belt on it that one is ment for my snapper riding mower lol well we thought it might work lol. .656 top width 41.5 length. Sailing, mountain trekking, gardening, mechanics. Before removing the vsp, the rlm would move, but only at the speed of a snail. Wiring diagram for husqvarna mower. There will be a square bolt on the bottom and top of the gear case. Riding lawn mower drawing at getdrawings. I have lawn tractor in kit form also requires some repairs. My mtd 135/38 mower cuts a 5 acre farm, grazing property, without slightest difficulty. Great savings & free delivery / collection on many items. It will provide a comfortable and easy way to. Riding clock shows riding(scrolling) clock instead of standard windows taskbar clock on your computer. Shop with afterpay on eligible items.

Posting Komentar

0 Komentar